SwirlFlo

Elkay ERPBGRNM28K SwirlFlo Bi-level ADA Water Fountain, Green Spec, 8 GPH (Non-Filtered)

SKU: ERPBGRNM28K
(No reviews yet) Write a Review
$4,418.13
Adding to cart… The item has been added
Availability:
Ships in 10 business days from the manufacturer.
SwirlFlo® architectural refrigerated fountains feature sleek styling with a Contoured oval basin designed to provide a splash-resistant surface.
  • High-performance compressor and insulation greatly reduces energy consumption.
  • Patented stainless steel design enhances any architectural design, whether classic landmark or cutting edge.
  • Mechanical push-button bubbler activation continues to provide water when electrical service is interrupted.
  • Flexi-Guard bubbler provides a flexible antimicrobial mouth guard to protect against injury and microorganisms.
  • Equipped with StreamSaver low-flow bubbler.
  • One-piece back panel eliminates unsightly seams.

Certifications:

cULus Certifification
GreenSpec Listed
US Water Quality Association Certified
NSF 61
Buy American Act Compliant

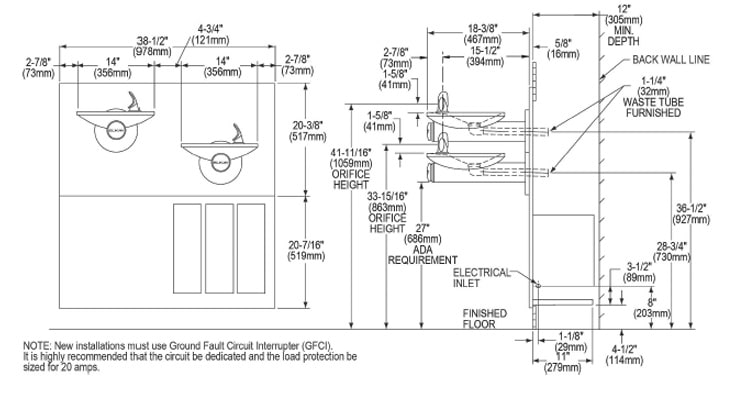
Measurement Diagram:

Architectural Specification:

Warnings:
Product Safety Warning:

Extended Lead Time

Because this item ships directly from the manufacturer and they are currently reporting a lead time greater than 30 days, we cannot guarantee availability within a specific time frame. If you need your items by a certain date, please contact us prior to placing your order and we will be happy to work with the factory to provide the most accurate information possible.

Non-Cancellable,
Non-Returnable Products

Because this item is manufactured to order, Bradley does not allow returns or cancellations once the order is placed.