AquaVantage

Zurn ZER6000AV-WS1-CPM AquaVantage Exposed Sensor Operated, Flush Valve For Water Closets

SKU: ZER6000AV-WS1-CPM
(No reviews yet) Write a Review
$466.99
Adding to cart… The item has been added
Availability:
IN-STOCK Ships same business day when ordered by 2:30PM EST.
The ZER6000AV-WS1-CPM features an exposed, quiet diaphragm-type, chrome plated flushometer valve (1.6 GPF) for toilets with a polished exterior. Complete with Zurn's AquaVantage TPE, chloramine resistant, dual seal diaphragm with a clog resistant, triple filtered by-pass. The unit features a 6VDC motor actuator with automatic infrared sensor, user-in view L.E.D., low battery indicator light, switchable 24 hour auto-flush and three second delay flush to deter false flushing, 10 degree angled sensor for optimum user detection, courtesy flush button, high impact resistant polycarbonate housing, impact resistant glass lens and chrome plated metal cover. The unit comes complete with 4 "C" size batteries, wrench for installation and allen key for the battery compartment. The E-Z Flush electronics are ultra energy efficient for optimal battery life. This unit incorporates a high back pressure vacuum breaker, one piece hex coupling nut, adjustable tailpiece, spud coupling and flange for top spud connection. Control stop has internal siphon-guard protection, vandal resistant stop cap, sweat solder kit, and a cast wall flange with set screw. Internal seals are made of chloramine resistant materials.
  • Clog-resistant triple filter 1.6 gpf diaphragm
  • Chemical resistant gaskets and seals for extended service life with lower maintenance costs
  • Battery powered in wall sensor, and override button with side mount motor operator
  • 3-year warranty

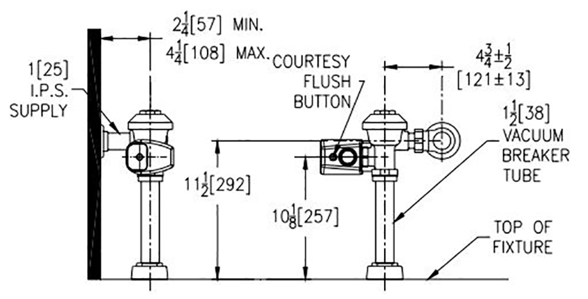
Measurement Diagram:


Extended Lead Time

Because this item ships directly from the manufacturer and they are currently reporting a lead time greater than 30 days, we cannot guarantee availability within a specific time frame. If you need your items by a certain date, please contact us prior to placing your order and we will be happy to work with the factory to provide the most accurate information possible.

Non-Cancellable,
Non-Returnable Products

Because this item is manufactured to order, Bradley does not allow returns or cancellations once the order is placed.