HydroBoost

Halsey Taylor HTHBHVR8BLR-NF Reverse Bi-Level Fountain & HydroBoost Bottle Filler, Refrigerated, 110-120V

SKU: HTHBHVR8BLR-NF
(No reviews yet) Write a Review
$3,480.17
Adding to cart… The item has been added
Availability:
Ships in 17 business days from the manufacturer.
Important note icon

IMPORTANT: This product will arrive on a pallet via Freight service. Please let us know if you will need a lift gate or have restricted access (add'l fees may apply).

The Halsey Taylor HydroBoost Bottle Filling Station delivers a clean quick water bottle fill and enhances sustainability by minimizing our dependency on disposable plastic bottles. Vandal-resistant cooler and bottle filling station in a consolidated space saving ADA compliant design. Pushbutton activation with automatic 20-second shut-off timer on bottle filler.
  • Ideal for heavy-use installations such as educational and indoor recreational facilities.
  • Vandal-resistant, push-button activation for both the bottle filler and the water cooler.
  • Vandal-resistant bubblers feature chrome-plated integral hood guard to prevent contamination from other users, airborne deposits and tampering.
  • Hermetically sealed refrigeration system provides chilled water to satisfy thirst.
  • Fill rate is 1.1 GPM. Laminar flow provides clean fill with minimal splash. Real drain system eliminates standing water.
  • RIGHT side HIGH configuration.

Certifications:

C ETL US Intertek Listed
GreenSpec Listed
US Water Quality Association Certified
NSF 61
Buy American Act Compliant

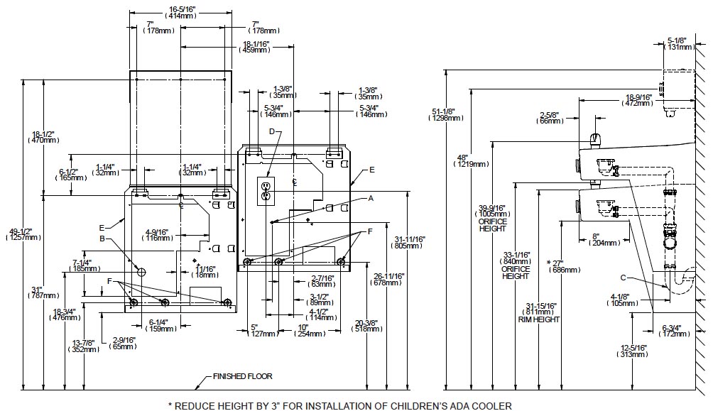
Measurement Diagram:

Architectural Specification:

Warnings:
Product Safety Warning:

Extended Lead Time

Because this item ships directly from the manufacturer and they are currently reporting a lead time greater than 30 days, we cannot guarantee availability within a specific time frame. If you need your items by a certain date, please contact us prior to placing your order and we will be happy to work with the factory to provide the most accurate information possible.

Non-Cancellable,
Non-Returnable Products

Because this item is manufactured to order, Bradley does not allow returns or cancellations once the order is placed.