HydroBoost

Halsey Taylor HTHB-HAC8PV-NF HydroBoost Bottle Filler & Single Cooler, Non-Filtered, Platinum

SKU: HTHB-HAC8PV-NF
(No reviews yet) Write a Review
$1,586.68
Adding to cart… The item has been added
Availability:
IN-STOCK Ships same business day when ordered by 2:30PM EST.

The Halsey Taylor HydroBoost Bottle Filling Station delivers a clean quick water bottle fill and enhances sustainability by minimizing our dependency on disposable plastic bottles.

Complete cooler and bottle filling station in a consolidated space saving ADA compliant design. Bottle Filler features sanitary no-touch sensor activation with automatic 20-second shut-off timer.

  • Touchless, sensor-activated bottle filler, designed for easy use; mechanically-activated bubbler continues to supply water in service disruptions.
  • Fill rate is 1.1 GPM.
  • Green Counter™ informs user of number of 20 oz. plastic water bottles saved from waste.
  • Laminar flow provides clean fill with minimal splash.
  • Silver ion antimicrobial protection on key plastic components to inhibit the growth of mold and mildew.
  • Real drain system eliminates standing water.

Certifications:

C ETL US Intertek Listed
GreenSpec Listed
US Water Quality Association Certified
NSF 61
Buy American Act Compliant

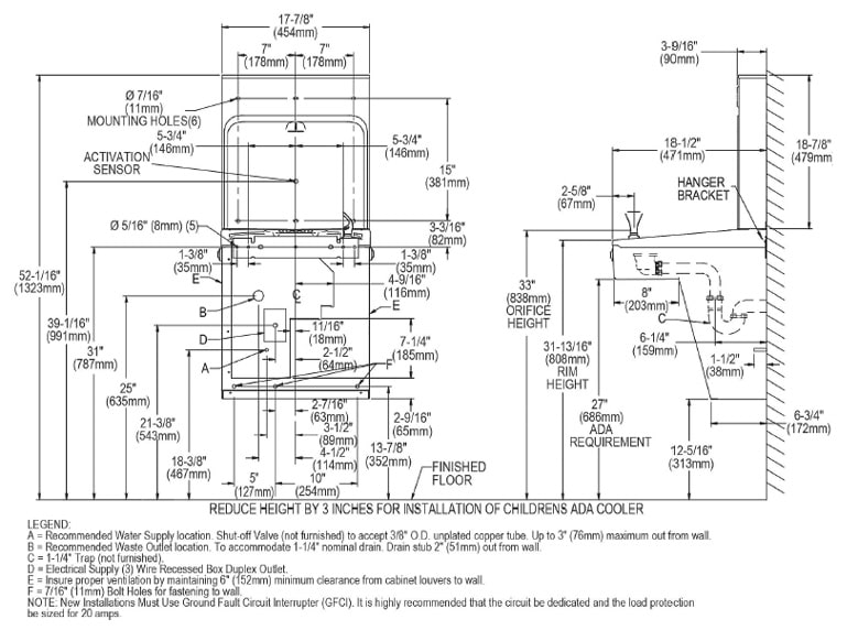
Measurement Diagram:

Architectural Specification:

Warnings:
Product Safety Warning:

Extended Lead Time

Because this item ships directly from the manufacturer and they are currently reporting a lead time greater than 30 days, we cannot guarantee availability within a specific time frame. If you need your items by a certain date, please contact us prior to placing your order and we will be happy to work with the factory to provide the most accurate information possible.

Non-Cancellable,
Non-Returnable Products

Because this item is manufactured to order, Bradley does not allow returns or cancellations once the order is placed.