EZH2O

Elkay LK4420BF1UDBFRKBLK Freeze Resistant Outdoor ezH2O Bottle Filling Station, Bi-Level Fountain & Pet Station, Black

SKU: LK4420BF1UDBFRKBLK
(No reviews yet) Write a Review
$11,549.97
Adding to cart… The item has been added
Availability:
Ships in 20 business days from the manufacturer.
Important note icon

NOTE: This product is non-refrigerated. It does NOT cool the water it dispenses.
IMPORTANT: This product will arrive on a pallet via Freight service. Please let us know if you will need a lift gate or have restricted access (add'l fees may apply).

Outdoor Bottle Filling Stations ideal for educational campuses and recreational areas. Powder-coated exterior over a corrosion-resistant stainless steel type-316 base material to provide protection from the elements.
  • Corrosion-resistant base material provides the ultimate protection from the elements.
  • Heavy-gauge construction with tamper-resistant screws that resist stains and corrosion.
  • Vandal-resistant bubblers feature chrome-plated integral hood guard to prevent contamination from other users, airborne deposits and tampering.
  • Laminar flow provides clean fill with minimal splash.
  • Pet fountain features slow drainage for easy drinking.
  • Fully sealed, freeze-resistant system minimizes ground water contamination and prevents drain water from mixing with fresh water.

Certifications:

US Water Quality Association Certified
NSF 61
Buy American Act Compliant

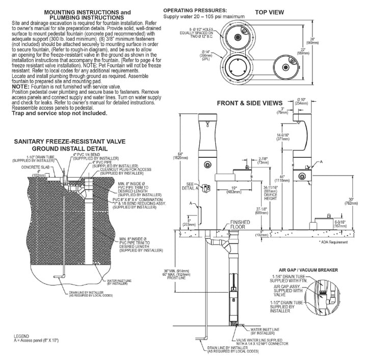
Measurement Diagram:

Architectural Specification:

Warnings:
Product Safety Warning:

Extended Lead Time

Because this item ships directly from the manufacturer and they are currently reporting a lead time greater than 30 days, we cannot guarantee availability within a specific time frame. If you need your items by a certain date, please contact us prior to placing your order and we will be happy to work with the factory to provide the most accurate information possible.

Non-Cancellable,
Non-Returnable Products

Because this item is manufactured to order, Bradley does not allow returns or cancellations once the order is placed.