EZH2O

Elkay LK4420BF1UDBEVG Outdoor EZH2O Bottle Filling Station, Bi-Level Fountain & Pet Station, Evergreen

SKU: LK4420BF1UDBEVG
(1 review) Write a Review
$7,513.99
Adding to cart… The item has been added
Availability:
IN-STOCK Ships same business day when ordered by 2:30PM EST.
Important note icon

NOTE: This product is non-refrigerated. It does NOT cool the water it dispenses.
IMPORTANT: This product will arrive on a pallet via Freight service. Please let us know if you will need a lift gate or have restricted access (add'l fees may apply).

Looking for the same outdoor bottle filling station but freeze resistant? See LK4420BF1UDBFRKEVG

Outdoor Bottle Filling Stations ideal for educational campuses and recreational areas. Powder-coated exterior over a corrosion-resistant stainless steel type-316 base material to provide protection from the elements.

  • Corrosion-resistant base material provides the ultimate protection from the elements.
  • Heavy-gauge construction with tamper-resistant screws that resist stains and corrosion.
  • Vandal-resistant bubblers feature chrome-plated integral hood guard to prevent contamination from other users, airborne deposits and tampering.
  • Laminar flow provides clean fill with minimal splash.
  • Pet fountain features slow drainage for easy drinking.
  • Freeze-resistant options available.

Certifications:

US Water Quality Association Certified
NSF 61
Buy American Act Compliant

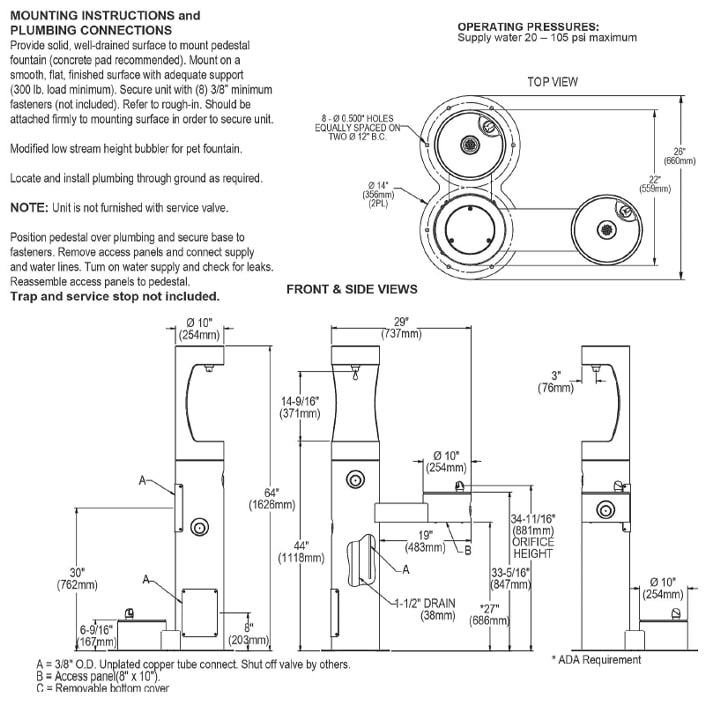
Measurement Diagram:

Architectural Specification:

Warnings:
Product Safety Warning:

1 Review Hide Reviews Show Reviews

  • 5
    Dog Park Fun

    Posted by Janet on Mar 27th 2025

    OMG! The dogs - and their owners - love these! Build like a brick sht-house, these are perfect for our park.


Extended Lead Time

Because this item ships directly from the manufacturer and they are currently reporting a lead time greater than 30 days, we cannot guarantee availability within a specific time frame. If you need your items by a certain date, please contact us prior to placing your order and we will be happy to work with the factory to provide the most accurate information possible.

Non-Cancellable,
Non-Returnable Products

Because this item is manufactured to order, Bradley does not allow returns or cancellations once the order is placed.