The Halsey Taylor HydroBoost Bottle Filling Station delivers a clean quick water bottle fill and enhances sustainability by minimizing our dependency on disposable plastic bottles. Fully recessed in-wall design. Bottle Filler features sanitary no-touch sensor activation with automatic 20-second shut-off timer.
- Fully integrated bottle filling station paired with OVL-II™ architectural fountain.
- Touchless, sensor activation designed for easy use (bottle filler); easy-to-operate push-button activation (bubbler).
- Fill rate is 1.5 GPM.
- Green Counter™ informs user of number of 20 oz. plastic water bottles saved from waste.
- Laminar flow provides clean fill with minimal splash.
- Silver ion antimicrobial protection on key plastic components to inhibit the growth of mold and mildew.
Certifications:





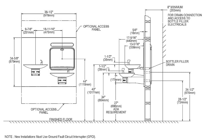
Measurement Diagram:

Architectural Specification:
Halsey Taylor HydroBoost® Bottle Filling Station, & Integral OVL-II™ Fountain, Non-Filtered Non-Refrigerated Stainless. Features shall include Sanitary Sensor Activated, Green Counter™, Laminar Flow, Antimicrobial, Real Drain. Furnished with Double Bubbler ™. Electronic Bottle Filler Sensor With Mechanical Front Bubbler Button activation. Product shall be Wall Mount (Inwall Frame/Plate), for Indoor applications, serving 2 station(s). Unit shall be certified to UL 399 and CAN/CSA C22.2 No. 120. Unit shall be lead-free design which is certified to NSF/ANSI 61 & 372 (lead free) and meets Federal and State low-lead requirements.
Warnings:
