- Touchless, sensor activation (bottle filler) designed for easy use; easy-to-operate push-bar activation (bubbler).
- Fill rate is 1.1 GPM.
- High-performance compressor & insulation greatly reduce energy consumption. GreenSpec listed & badged to demonstrate a commitment to sustainability.
- Visual filter monitor with LED filter status indicator for when filter change is necessary.
- The 3,000-gallon filter is certified to NSF 42 and 53 for lead, Class 1 particulate, chlorine, taste and odor reduction.
- Green Counter™ informs user of number of 20 oz. plastic water bottles saved from waste.
This model comes with a Halsey Taylor 55898C filter which is good for 3000 gallons before it will need to be replaced.
It is also compatible with the Elkay 51300C filter which is also good for 3000 gallons before it will need to be replaced but can be bought in multi-packs for savings. And for a longer life filter, choose the Elkay 51600C water filter which lasts twice as long.
Certifications:





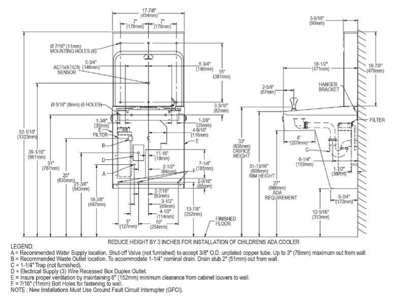
Measurement Diagram:

Architectural Specification:
Halsey Taylor HydroBoost® Bottle Filling Station, & Single ADA Cooler, High Efficiency Filtered 8 GPH Stainless. Chilling Capacity of 8.0 GPH (gallons per hour) of 50 F drinking water, based on 80 F inlet water and 90 F ambient, per ASHRAE 18 testing. Features shall include Sanitary Sensor Activated, Visual Filter Monitor, Filtered, High Efficiency, Green Counter™, Laminar Flow, Antimicrobial, Real Drain. Furnished with Double Bubbler ™. Electronic Bottle Filler Sensor With Mechanical Front And Side Bubbler Pushbar activation. Product shall be Wall Mount (On Wall), for Indoor applications, serving 1 station(s). Unit shall be certified to UL 399 and CAN/CSA C22.2 No. 120. Unit shall be lead-free design which is certified to NSF/ANSI 61 & 372 (lead free) and meets Federal and State low-lead requirements.
Warnings:
