The Elkay EZH2O® Bottle Filling Station delivers a clean quick water bottle fill and enhances sustainability by minimizing our dependency on disposable plastic bottles. Complete cooler and bottle filling station in a consolidated space saving ADA compliant design. Bottle Filler features sanitary no-touch sensor activation with automatic 20-second shut-off timer.
- Touchless, sensor-activated bottle filler, designed for easy use; mechanically-activated bubbler continues to supply water in service disruptions.
- Fill rate is 1.5 GPM.
- Visual filter monitor with LED filter status indicator for when filter change is necessary.
- The 3,000-gallon filter is certified to NSF 42 and 53 for lead, Class 1 particulate, chlorine, taste and odor reduction.
- Green Ticker informs user of number of 20 oz. plastic water bottles saved from waste.
- Laminar flow provides clean fill with minimal splash.
Certifications:



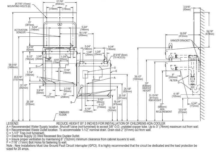
Measurement Diagram:

Architectural Specification:
Warnings:
