- Corrosion-resistant base material provides the ultimate protection from the elements.
- Heavy-gauge construction with tamper-resistant screws that resist stains and corrosion.
- Vandal-resistant bubblers feature chrome-plated integral hood guard to prevent contamination from other users, airborne deposits and tampering.
- Laminar flow provides clean fill with minimal splash.
- Pet fountain features slow drainage for easy drinking.
- Freeze-resistant options available.
Certifications:



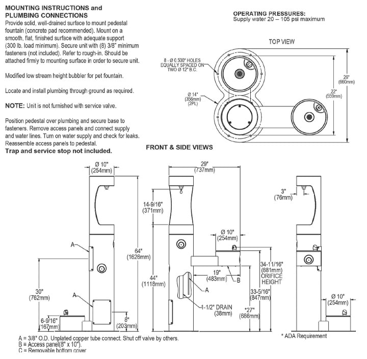
Measurement Diagram:

Architectural Specification:
Elkay Outdoor ezH2O® Upper Bottle Filling Station Bi-Level, Pedestal with Pet Station Non-Filtered Non-Refrigerated. Features shall include 316 Stainless, Heavy Duty Vandal Resistant, Laminar Flow, Pet Fountain. Furnished with Vandal Resistant bubbler. Mechanical Front Bubbler Button activation. Product shall be Floor Mount/Freestanding, for Outdoor applications, serving 2 station(s). Unit shall be lead-free design which is certified to NSF/ANSI 61 & 372 (lead free) and meets Federal and State low-lead requirements.
Warnings:
