Unit includes convertible automatic universal, roll paper towel dispenser with intuitive, user-friendly light directs users to towel activation zone and 18-gallon (68.0-L) waste receptacle. Satin-finish stainless steel.
Seamless beveled flange. Dispenses universal, 1-1/2″ to 2″ (38 to 51mm) diameter core, up to 8″ (205mm) wide, up to 8″ (205mm) diameter rolls, 800 ft (244m) long, plus 3-1/2″ (90mm) diameter stub roll with automatic transfer.
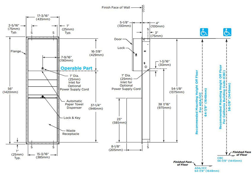
Removable waste receptacle is locked into cabinet. Unit can be powered by AC adapter or 4 Alkaline "D" Cells (not included).
Field conversion made easy without replacing existing cabinets in wall. Interchangeable with:
366-60 Interchangeable Receptacle, 6-gal. (27.2-L).
367-60
Interchangeable Receptacle, 12-gal. (45.5-L).
368-60 Interchangeable Receptacle, 18-gal. (68.1-L).
3961-50: “touch-free” pull towel dispenser module
3944-52: Folded paper towel dispenser module.
- 18-8, Type 304, heavy-gauge stainless steel. Welded construction. Exposed surfaces have satin-finish.
- Touch-Free roll towel dispensing mechanism dispenses one 12" (300mm) length of towel per pull and operates smoothly and quietly. User only touches the paper.
- Automatic transfer dispenses stub roll before new roll is dispensed. When stub roll is depleted, advancement of paper towel feed wheel allows the main roll to start dispensing without the need to open the dispenser.
- Removable waste receptacle is secured to cabinet with a tumbler lock, and has front and side edges of bottom and all top edges hemmed for safe handling.
- Door secured to cabinet with a full-length stainless steel piano-hinge and equipped with a tumbler lock keyed like other Bobrick washroom accessories.
Measurement Diagram:
