ASI 10-3701-12 Straight Grab Bar, 1-1/4" OD, 12" Long, Snap Flange

SKU: 10-3701-12
(No reviews yet) Write a Review
$35.95
Adding to cart… The item has been added
Availability:
Ships in 2 business days from manufacturer.
Important note icon

Safety Warning: Grab bars are no stronger than the anchors and walls to which they are attached and, therefore, must be firmly secured in order to support the loads for which they are intended.

This snap flange grab bar is similar to the exposed mount grab bars, except that it has decorative flanges that snap over the mounting plates to conceal them. Like the exposed mount, it requires that the grab bar be held in place while it is attached to the wall using the appropriate fasteners (not included). Once this has been done, the flanges slide to the ends of the grab bar and snap securely in place over the mounting plates.
  • Higheset quality type 304 stainless steel alloy 18-8. 18 Guage thickness.
  • Mandrell bending process ensures uniform bar diameters.
  • Heliarc welding forms a single structural unit.
  • ADA Compliant (per CABO/ANSI A117.1-2003 and CFR 28 Part 36, 1 July 1994, section 4.26.3 and FAB-ADA-ABA Regulations of 23 July 2004, Section 609
  • 1 Year manufacturer's warranty against defects in materials and workmanship.

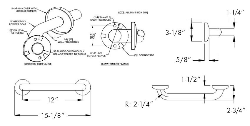
Measurement Diagram:

Measurements for ASI 10-3701-12 Grab Bar
Architectural Specification:

1-1/4" Diameter [Ø32] Grab Bar with Snap-On Flange Covers for concealed mounting shall be type 304 stainless steel alloy 18-8. Tubing shall be 1-1/4" diameter [Ø32] x 18 gauge (0.048") [1.2]. Snap-on cover shall be 22 gauge (0.03") [0.8]. Flange shall be 1/8" [3] thick and shall be heliarc welded to tubing with a continuous concealed bead. End flanges shall have two (2) 5/16" diameter [Ø7.5] mounting holes. Center posts (if any) shall have (2) keyhole slots to ease installation access. All exposed surfaces shall have a satin finish and shall be protected during shipment with a plastic bag. For optional non-slip surface, add suffix –P (peened).